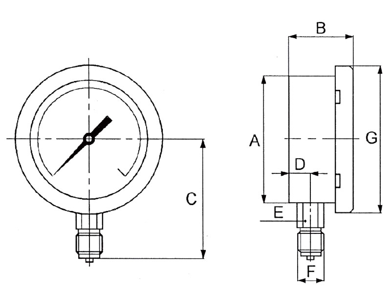
HOME | PRODOTTI | MANOMETRI | MANOMETRI CON ELEMENTO SENSIBILE COMPATTO | SP 408

• Diametri nominali
- 100, 150.
• Custodia
- cassa e anello di acciaio inox AISI 304 con serraggio a baionetta (esecuzione B).
• Grado di protezione della custodia (secondo EN 60529)
- IP 55 per l’esecuzione D (a secco);
- IP 67 per l’esecuzione F (a riempimento) e per l’esecuzione P (predisposta).
• Trasparente
- di vetro temprato per DN 100 e 150;
- di vetro stratificato (variante V17).
• Dispositivo di sicurezza
- tappo di gomma a tenuta stagna;
• Liquido di riempimento
- glicerina (di serie);
- fluido siliconico (su richiesta - variante V64).
• Attacco di pressione (secondo EN 837-1) con filettatura Gas (BSP), Gas conico (BSPT) o NPT secondo la quota F delle tab. SP, o altre filettature su richiesta:
- di acciaio inox AISI 316L (esecuzione 2);
• Elemento sensibile
- di acciaio inox AISI 316L (esecuzione 2);
• Saldatura dell’elemento manometrico
- arco elettrico in atmosfera controllata.
• Movimento
- di acciaio inox.
• Campi di scala (secondo EN 837-1)
o Valore massimo:
- 1000 bar.
o Divisioni riferite a valori di pressione compresi tra –1 e 1000 bar:
- manometri: vedere tabella C1 a pag. P04;
- vuotometri e manovuotometri: vedere tabella C1 a pag. P04;
- altri campi non normalizzati per singola o doppia scala (su richiesta).
o Unità di pressione:
- bar, kPa, MPa, kg/cm² e psi per singola o doppia scala.
o Angolo della scala:
- 270 °.
• Pressione di esercizio (riferita al valore di fondo scala)
- costante da 1/10 a 3/4 circa;
- variabile da 1/10 a 2/3 circa;
- pulsante da 1/10 a 1/2 circa.
• Sovrappressione (occasionalmente ammessa)
- 130% del valore di fondo scala.
• Indice
- di alluminio a regolazione micrometrica;
• Quadrante
- di allumino con scale graduate e scritte in nero indelebile su fondo bianco (per eventuali modifiche al quadrante vedere le varianti previste);
- fermo lancette sullo "0".
• Precisione (secondo EN 837-1)
- classe 1 (± 1% riferito al valore di fondo scala).
• Temperatura ambiente
- -40 ÷ +60 °C esecuzione a secco;
- -20 ÷ +60 °C esecuzione a riempimento di glicerina;
- -40 ÷ +60 °C esecuzione a riempimento di fluido siliconico.
• Deriva termica
- al di fuori dei valori di temperatura ambiente ottimale compresi fra +15 ÷ + 25 °C, la deriva termica influisce sulla precisione dello strumento nell’ordine dello 0,3% ogni 10 C.
• Temperatura di utilizzo
- -40 ÷ +250 °C esecuzione a secco;
- -20 ÷ +100 °C esecuzione a riempimento di glicerina;
- -40 ÷ +120 °C esecuzione a riempimento di fluido siliconico.
Manometri “tutto inox” a molla tubolare con elemento sensibile a volume ridotto