HOME | PRODOTTI | SEPARATORI DI FLUIDO | SEPARATORI DI FLUIDO SPECIALI | FP 345

• Applicazione
- diretta; (sigla di identificazione R)
- a distanza mediante capillare di comunicazione flessibile (sigla di identificazione S seguita dal numero che indica la lunghezza in metri del capillare)
nota: l’applicazione a distanza esige che il separatore ed il manometro siano installati allo stesso livello per evitare che la taratura risulti falsata.
• Materiale del capillare
- di acciaio inox AISI 316L con rivestimento flessibile di AISI 316;
- di acciaio inox AISI 316L, con rivestimento flessibile di AISI 316 e protezione di PVC (variante V79).
• Elemento separatore (vedere modelli specifici)
o membrana:
- di acciaio inox AISI 316L;
- di acciaio inox AISI 316L rivestito di P.T.F.E.;
- di materiali speciali (Monel 400, Hastelloy C276, titanio, tantalio);
- di acciaio inox AISI 316L con doratura 40 micron. o soffietto:
- di acciaio inox AISI 304 (FP 344).
nota: come indicato nei modelli specifici, la camera di separazione ha una sagoma, che consente alla membrana di arrestarsi senza deformazioni, in presenza di sovrappressioni.
• Materiale del corpo separatore (vedere modelli specifici)
o parte superiore (ove prevista):
- di acciaio inox AISI 304 o AISI 316L.
o attacco di pressione:
- di acciaio inox AISI 316L;
- di acciaio inox AISI 316L rivestito di P.T.F.E.;
- di acciaio al carbonio trattato galvanicamente (FP344);
- di materiali speciali (Monel 400, Hastelloy C276, titanio, tantalio).
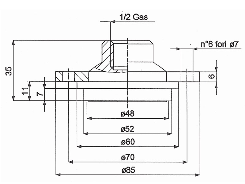
• Attacco di pressione (vedere modelli specifici)
- filettato;
- flangiato;
- sanitario
• Posizione della membrana (vedere modelli specifici)
- affacciata;
- arretrata.
• Liquido di carica (vedere modelli specifici)
- fluido siliconico adatto per temperature -30 ÷ +200 °C (questo fluido è compatibile con alimenti);
- fluido diatermico adatto per temperature > +200 ÷ +400 °C;
- fluido fluorurato adatto per impiego con ossigeno e temperature -30 ÷ +150 °C.
• Deriva termica
il separatore di fluido può influenzare la precisione dello strumento in funzione delle condizioni di utilizzo dovute al rapporto pressione/temperatura.
Separatori di fluido
Il separatore è composto da un elemento elastico che isola il fluido di processo dall’elemento manometrico, trasmettendogli la pressione tramite la compressione del liquido contenuto nella camera di separazione.
È indispensabile ricorrere a questo accorgimento laddove siano presenti particolari caratteristiche fisico-chimiche incompatibili con l’elemento manometrico, ovviando così agli inconvenienti derivabili allo strumento da fluidi in pressione particolarmente aggressivi, da materiali di processo ad alta viscosità, oppure con possibilità di cristallizzazione o solidificazione.