Loading...

FANTINELLI Srl

Separatori di fluido speciali

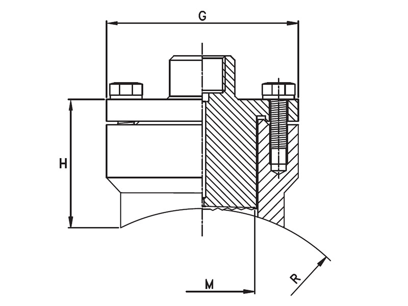
Separatore a membrana affacciata con attacco a sella  
FP 333

• Applicazione

- diretta; (sigla di identificazione R)

- a distanza mediante capillare di comunicazione flessibile (sigla di identificazione S seguita dal numero che indica la lunghezza in metri del capillare)

nota: l’applicazione a distanza esige che il separatore ed il manometro siano installati allo stesso livello per evitare che la taratura risulti falsata.


• Materiale del capillare

- di acciaio inox AISI 316L con rivestimento flessibile di AISI 316;

- di acciaio inox AISI 316L, con rivestimento flessibile di AISI 316 e protezione di PVC (variante V79).


• Elemento separatore (vedere modelli specifici)

o membrana:

- di acciaio inox AISI 316L;

- di acciaio inox AISI 316L rivestito di P.T.F.E.;

- di materiali speciali (Monel 400, Hastelloy C276, titanio, tantalio);

- di acciaio inox AISI 316L con doratura 40 micron. o soffietto:

- di acciaio inox AISI 304 (FP 344).

nota: come indicato nei modelli specifici, la camera di separazione ha una sagoma, che consente alla membrana di arrestarsi senza deformazioni, in presenza di sovrappressioni.


• Materiale del corpo separatore (vedere modelli specifici)

o parte superiore (ove prevista):

- di acciaio inox AISI 304 o AISI 316L.

o attacco di pressione:

- di acciaio inox AISI 316L;

- di acciaio inox AISI 316L rivestito di P.T.F.E.;

- di acciaio al carbonio trattato galvanicamente (FP344);

- di materiali speciali (Monel 400, Hastelloy C276, titanio, tantalio).


• Attacco di pressione (vedere modelli specifici)

- filettato;

- flangiato;

- sanitario


• Posizione della membrana (vedere modelli specifici)

- affacciata;

- arretrata.


• Liquido di carica (vedere modelli specifici)

- fluido siliconico adatto per temperature -30 ÷ +200 °C (questo fluido è compatibile con alimenti);

- fluido diatermico adatto per temperature > +200 ÷ +400 °C;

- fluido fluorurato adatto per impiego con ossigeno e temperature -30 ÷ +150 °C.


• Deriva termica

il separatore di fluido può influenzare la precisione dello strumento in funzione delle condizioni di utilizzo dovute al rapporto pressione/temperatura.


Separatori di fluido

Il separatore è composto da un elemento elastico che isola il fluido di processo dall’elemento manometrico, trasmettendogli la pressione tramite la compressione del liquido contenuto nella camera di separazione.

È indispensabile ricorrere a questo accorgimento laddove siano presenti particolari caratteristiche fisico-chimiche incompatibili con l’elemento manometrico, ovviando così agli inconvenienti derivabili allo strumento da fluidi in pressione particolarmente aggressivi, da materiali di processo ad alta viscosità, oppure con possibilità di cristallizzazione o solidificazione.