Loading...

FANTINELLI Srl

Manometri speciali

HOME   |   PRODOTTI   | MANOMETRI | MANOMETRI SPECIALI | SP 312

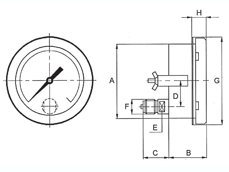
Manometro con attacco posteriore per montaggio incassato e fissaggio con staffa  
SP 312

• Diametri nominali
- 100, 150, 200 e 260.

• Custodia
- esecuzione B: cassa e anello di acciaio inox AISI 304 (AISI 316 su richiesta nei DN 100 e 150 - variante V61) con serraggio a baionetta (tenuta con viti per DN 200);
- esecuzione A: cassa e anello di alluminio DN 260 con serraggio a vite, verniciati con polvere epossidica nera.

• Grado di protezione della custodia (secondo EN 60529)
- IP 55 per l’esecuzione D (a secco);
- IP 67 per l’esecuzione F (a riempimento di liquido) e per l’esecuzione P (predisposta per il riempimento).

• Trasparente
- di vetro per gli strumenti a secco DN 100 e 150;
- di metacrilato per gli strumenti sia a riempimento di liquido che predisposti e per DN 200 e 260;
- di vetro stratificato (su richiesta - variante V17).

• Dispositivo di sicurezza
- tappo di gomma a tenuta stagna per DN 100, 150 e 200 e per l’esecuzione D (a secco) nel DN 260;
- valvola tarata per l’esecuzione F (a riempimento di liquido) e per l’esecuzione P (predisposta per il riempimento) nel DN 260.
nota: per l’esecuzione a fronte solido vedere la SERIE SF.

• Liquido di riempimento
- glicerina (di serie);
- fluido siliconico, di serie se lo strumento è dotato di contatto elettrico oppure, su richiesta, in alternativa alla glicerina - variante V64;
- fluidi speciali (su richiesta).
nota: vedere anche le voci “Condizioni di utilizzo” e “Temperatura ambiente”.

• Attacco di pressione (secondo EN 837-1)
con filettatura G 1/2 B (1/2 Gas o BSP) o 1/2-14 NPT EXT (1/2 NPT) (altri su richiesta):
- di acciaio inox AISI 316L (esecuzione 2);
- di Monel 400 (variante W04).

• Elemento sensibile
- di acciaio inox AISI 316L (esecuzione 2);
- di Monel 400 (varianti M04 e W04).
nota: l’elemento sensibile penetra nel corpo dell’attacco per una profondità di 7 mm, secondo specifiche petrolchimiche.

• Saldatura dell’elemento manometrico
- elettrico in atmosfera controllata.

• Movimento
- di acciaio inox.

• Campi di scala (secondo EN 837-1)
o Valori massimi riferiti ai DN:
- 1600 bar per DN 100 e 150;
- 1000 bar per DN 200 e 260.
o Divisioni riferite a valori di pressione compresi tra –1 e 1600 bar:
- manometri: vedere tabella C1 a pag. P04;
- vuotometri e manovuotometri: vedere tabella C1 a pag. P04;
- altri campi non normalizzati per singola o doppia scala (solo su richiesta).
o Unità di pressione:
- bar, kPa, MPa, kg/cm² e psi per singola o doppia scala.
o Angolo della scala:
- 270°.

• Pressione di esercizio (riferita al valore di fondo scala)
- costante da 1/10 a 3/4 circa;
- variabile da 1/10 a 2/3 circa;
- pulsante da 1/10 a 1/2 circa.

• Sovrappressione (occasionalmente ammessa)
- 130% del valore di fondo scala (standard);
- 160% del valore di fondo scala (variante V25);
- 250% del valore di fondo scala (variante V27);
- per altre sovrappressioni utilizzare i limitatori (vedere serie AM).

• Indice
- di alluminio a regolazione micrometrica per l’esecuzione a secco e anche per le versioni con il contatto elettrico;
- di alluminio con virola fissa per l’esecuzione a riempimento di liquido o predisposta.

• Quadrante
- di allumino con scale graduate e scritte in nero indelebile su fondo bianco (per eventuali modifiche vedere le varianti previste).

• Precisione (secondo EN 837-1)
- classe 1 (± 1% riferito al valore di fondo scala) di serie.
nota 1: in caso di strumento con contatto elettrico, la precisione indicata sul quadrante non considera l’influenza del dispositivo.
nota 2: il separatore di fluido può influenzare la precisione dello strumento in funzione delle condizioni di utilizzo dovute al rapporto pressione/temperatura.

• Temperatura ambiente
- -40 ÷ +60 °C esecuzione a secco;
- -20 ÷ +60 °C esecuzione a riempimento di glicerina;
- -40 ÷ +60 °C esecuzione a riempimento di fluido siliconico.

• Deriva termica
- al di fuori dei valori di temperatura ambiente ottimale compresi fra +15 ÷ + 25 °C, la deriva termica influisce sulla precisione dello strumento nell’ordine dello 0,3% ogni 10°C.

• Condizioni di utilizzo
- vedere tabella SP 5 a pagina SP10.

MANOMETRI A MOLLA TUBOLARE
  • molla di acciaio inox o Monel;
  • custodia a tenuta stagna a secco o a riempimento di liquido;
  • DN 100 - 150 - 200 - 260;
  • campi di misura compresi fra -1 e 1600 bar.

Gli strumenti di questa serie complementare alla serie SP 200, sono realizzati per esecuzioni speciali ed in particolare per il DN 100 e 150 per l’applicazione di contatti elettrici.