HOME | PRODOTTI | MANOMETRI | MANOMETRI IN OTTONE CASSA INOX | SP 111

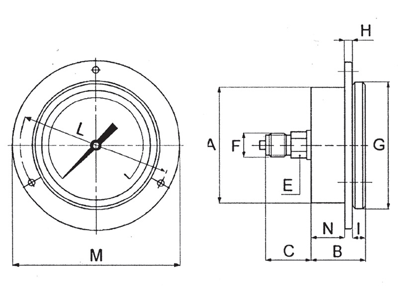
• Diametri nominali
- 40 - 50 - 63 - 80 e 100.
• Custodia
- cassa e anello di AISI 304 graffati (esecuzione G).
• Grado di protezione della custodia (secondo EN 60529)
- IP 65.
• Trasparente
- di materia plastica.
• Dispositivo di sicurezza
- tappo di gomma a tenuta stagna.
• Liquido di riempimento
- glicerina.
• Attacco di pressione (secondo EN 837-1) di ottone o di acciaio inox AISI 316L con filettatura Gas (BSP), Gas conico (BSPT) o NPT secondo la quota F delle tabelle SP, oppure solo su richiesta, diverse da quelle indicate.
• Elemento sensibile
- di bronzo fosforoso per l’esecuzione 1;
- di acciaio inox AISI 316L per l’esecuzione 2.
• Saldatura dell’elemento manometrico
- vedere tabella SP 3 a pag SP05 per l’esecuzione 1;
- arco elettrico in atmosfera controllata per l’esecuzione 2.
• Movimento
- di ottone per l’esecuzione 1;
- di acciaio inox l’esecuzione 2.
• Campi di scala (secondo EN 837-1)
o Valore massimo:
- 600 bar.
o Campi di numerazione:
- manometri: 0÷1; 0÷1,6; 0÷2,5; 0÷4; 0÷6; 0÷10; 0÷16; 0÷25; 0÷40; 0÷60; 0÷100; 0÷160; 0÷250; 0÷400; 0÷600;
- vuotometri: -1÷0. (divisioni secondo tabella C1 pag. P04)
- altri campi non normalizzati per singola o doppia scala (solo su richiesta).
o Unità di pressione:
- bar, kPa, MPa, kg/cm² e psi per singola o doppia scala.
o Angolo della scala:
- 270°.
• Pressione di esercizio (riferita al valore di fondo scala)
- costante da 1/10 a 3/4 circa;
- variabile da 1/10 a 2/3 circa;
- pulsante da 1/10 a 1/2 circa.
• Sovrappressione (occasionalmente ammessa)
- 125% del valore di fondo scala per strumenti con campo
di misura ? 100 bar;
- 115% del valore di fondo scala per strumenti con campi
di misura da > 100 a ? 600 bar.
• Indice
- di alluminio con virola fissa.
• Quadrante
- di alluminio con scale graduate e scritte in nero indelebile
su fondo bianco.
• Precisione (secondo EN 837-1)
- classe 1,6.
• Temperatura ambiente
- -20 ÷ +60 °C.
• Condizioni di utilizzo
- vedere tabella SP 3 a pagina SP05.
Manometri a molla tubolare adatti per impieghi generali