Loading...

FANTINELLI Srl

Manometri differenziali a singola membrana

DP 370-C  
DP 370-C

• Diametri nominali

- 100 e 150.


• Esecuzione

- A... montaggio diretto;

- B... montaggio sporgente con staffa;

- C... montaggio incassato a retro quadro;

- D... montaggio su palina da 2”;

- ...D a secco;

- ...F a riempimento di liquido;

- ...P predisposta per il riempimento.


• Custodia

- cassa e anello di acciaio inox AISI 304 (AISI 316 su richiesta - variante V61) con serraggio a baionetta.


• Grado di protezione della custodia (secondo EN 60529)

- IP 55 per l’esecuzione D;

- IP 67 per l’esecuzione F e P.


• Trasparente

- di vetro per l’esecuzione D;

- di metacrilato per l’esecuzione F e P;

- di vetro stratificato (su richiesta - variante V17).


• Liquido di riempimento della custodia

- fluido siliconico (di serie).


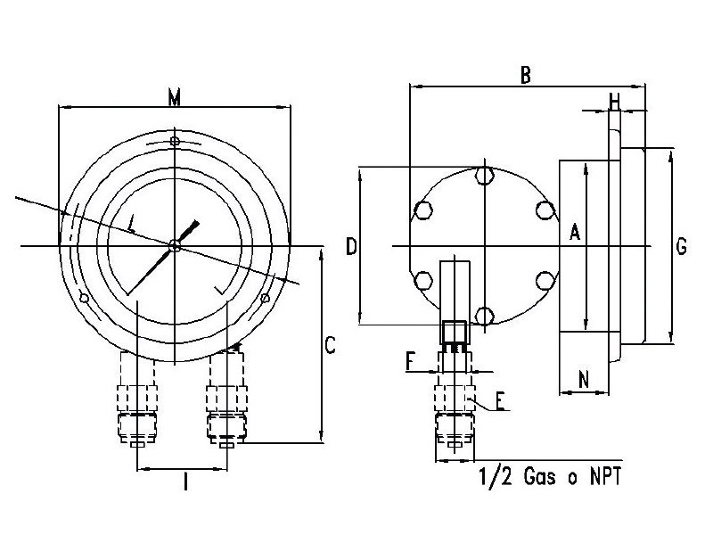
• Attacchi di pressione (secondo EN 837) o di acciaio inox AISI 316L:

- 1/4-18 NPT (1/4 NPT femmina) - di serie;

- G 1/2 B (1/2 Gas o BSP maschio) o 1/2-14 NPT EXT (1/2 NPT maschio) (su richiesta - variante V43).


• Elemento sensibile

- membrana di acciaio inox AISI 316L o Duratherm, in funzione dei campi di misura.


• Pressione statica unificata per tutti i campi di misura:

- 100 bar su entrambi gli attacchi.


• Sovrapressione

- 2 x valore fondo scala su un solo attacco.


• Cella differenziale o materiale:

- di acciaio inox AISI 316L.


• Fermo membrana

- resina poliuretanica.


• Viti e dadi di fissaggio cella differenziale

- di acciaio inox AISI 304.


• Guarnizioni della cella differenziale

- di gomma nitrilica (NBR) di serie;

- di FPM (Viton) su richiesta.


• Movimento

- di acciaio inox.


• Albero di torsione

- di acciaio inox.


• Campi di scala (secondo EN 837)

o Campi di numerazione riferiti a valori di pressione compresi tra 160 mbar e 25 bar:

- vedere tabella C1 a pag. P04; (divisioni secondo tabella C1 a pag. P04).

- altri campi non normalizzati per singola o doppia scala (su richiesta).

o Unità di pressione:

- mbar, bar, kPa, kg/cm² e psi per singola o doppia scala.

o Angolo della scala:

- 270 °.

nota: i campi di misura 0 ÷ 160 mbar nel modello DP 370 hanno l’angolo della scala di 180°.


• Indice

- di alluminio a regolazione micrometrica.


• Quadrante

- di alluminio con scale graduate e scritte in nero indelebile, su fondo bianco (per eventuali modifiche al quadrante vedere le varianti previste).


• Precisione (secondo EN 837)

- classe 1,6 (± 1,6% riferito al valore di fondo scala).

nota1: in caso di strumento con contatto elettrico, la precisione indicata sul quadrante non considera l’influenza del dispositivo.

nota2: il separatore di fluido può influenzare la precisione dello strumento in funzione delle condizioni di utilizzo dovute al rapporto pressione/temperatura.


• Temperatura ambiente

- -30 ÷ +60 °C.


• Temperatura di utilizzo

- max 120 °C.

Manometri differenziali a singola membrana

  • DP 370
    • campi di misura compresi fra 160 mbar e 25 bar;
    • pressione statica 100 bar;
    • angolo della scala 270°;
    • classe di precisione 1,6.