Loading...

FANTINELLI Srl

Manometri differenziali a doppia molla tubolare

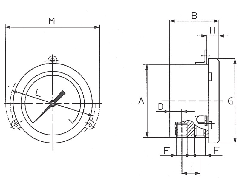
Manometro per montaggio incassato a retro quadro con orecchiette  
DP 358-C

• Diametro nominale

- 100.


• Esecuzione

- A... montaggio diretto;

- B... montaggio sporgente con 3 fori;

- C... mont. incassato a retro quadro con orecchiette;

- ...D a secco;

- ...F a riempimento di liquido;


• Custodia

- cassa e anello di acciaio inox AISI 304 (AISI 316 su richiesta - variante V61) con serraggio a baionetta.


• Grado di protezione della custodia (secondo EN 60529)

- IP 67.


• Trasparente

- di vetro per l’esecuzione D;

- di metacrilato per l’esecuzione F;

- di vetro stratificato (su richiesta - variante V17).


• Liquido di riempimento

- fluido siliconico.


• Attacchi di pressione (secondo EN 837) di acciaio inox AISI 316L:

- 1/4-18 NPT (1/4 NPT femmina).


• Elemento sensibile

- doppia molla a C di acc. inox AISI 316L.


• Pressione statica

- due volte il valore di fondo scala indipendentemente dall’immissione della pressione in uno solo o in entrambi gli attacchi;

- tre volte il valore di fondo scala (in esecuzione speciale, solo su richiesta - variante V48).


• Movimento

- di acciaio inox.


• Campi di scala (secondo EN 837)

o Campi di numerazione:

- 0 ÷ 1; 0 ÷ 1,6; 0 ÷ 2,5; 0 ÷ 4; 0 ÷ 6; 0 ÷ 10; 0 ÷ 16; 0 ÷ 25; 0 ÷ 40; 0 ÷ 60; (divisioni secondo tabella C1 a pag. P04)

- altri campi non normalizzati.

o Unità di pressione:

- mbar, bar, kPa, kg/cm² e psi per singola o doppia scala.

o Angolo della scala:

- 270°.


• Indice

- di alluminio a regolazione micrometrica.


• Quadrante

di alluminio con scale graduate e scritte in nero indelebile, su fondo bianco (per eventuali modifiche al quadrante vedere le varianti previste).


• Precisione (secondo EN 837)

- classe 1,6 (± 1,6% r.v.f.s.).


• Temperatura ambiente

- - 20 ÷ + 60 °C.


• Temperatura di utilizzo

- max 120 °C.


Manometri differenziali a doppia molla tubolare a C

  • custodia a tenuta stagna a secco o a riempimento di liquido;
  • DN 100;
  • campi di misura compresi fra 1 e 60 bar;
  • classe di precisione 1,6.