HOME | PRODOTTI | MANOMETRI DIFFERENZIALI | MANOMETRI DIFFERENZIALI A DOPPIA MEMBRANA | DP 360/460-D

• Diametri nominali
- 100 e 150.
• Esecuzione
- A... montaggio diretto;
- B... montaggio sporgente con staffa;
- C... montaggio incassato a retro quadro;
- D... montaggio su palina da 2”;
- ...D a secco;
- ...F a riempimento di liquido;
- ...P predisposta per il riempimento.
• Custodia
- cassa e anello di acciaio inox AISI 304 (AISI 316 su richiesta - variante V61) con serraggio a baionetta.
• Grado di protezione della custodia (secondo EN 60529)
- IP 55 per l’esecuzione D;
- IP 67 per l’esecuzione F e P.
• Trasparente
- di vetro per l’esecuzione D;
- di metacrilato per l’esecuzione F e P;
- di vetro stratificato (su richiesta - variante V17).
• Liquido di riempimento della custodia
- glicerina (di serie);
- fluido siliconico (su richiesta - variante V64).
nota: tutti gli strumenti riempiti hanno di serie la regolazione esterna dello zero.
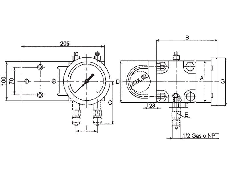
• Attacchi di pressione (secondo EN 837)
o di acciaio inox AISI 316L:
- 1/4-18 NPT (1/4 NPT femmina) - di serie;
- G 1/2 B (1/2 Gas o BSP maschio) o 1/2-14 NPT EXT (1/2 NPT maschio) (su richiesta - variante V43).
o di materiali speciali (varianti W04 o W06).
• Elemento sensibile
- membrane indipendenti di acciaio inox AISI 316Ti o AISI 316L, in funzione dei campi di misura;
- di materiali speciali (varianti M04 o M06)
• Pressione statica
unificata per tutti i campi di misura, indipendentemente dall’immissione della pressione in uno solo o in entrambi gli attacchi:
- 100 bar per il modello DP 360;
- 25 bar per il modello DP 460;
- 250 bar per il modello DP 360 (su rich. - variante V47);
- 400 bar per il modello DP 360 (su rich. - variante V45);
- 100 bar per il modello DP 460 (su rich. - variante V44);
• Cella differenziale
o materiale:
- di acciaio inox AISI 316L;
- di Monel 400 (variante W04);
- di Hastelloy C276 (variante W06).
o dimensioni:
- DP 360, mm 100 x 100;
- DP 460, mm 150 x 150.
• Liquido di carica dell’elemento differenziale
- fluido siliconico (di serie);
- fluido compatibile con alimenti (su richiesta).
• Viti e dadi di fissaggio cella differenziale
- di acciaio inox AISI 304;
- di acciaio trattato galvanicamente per DP 360 con statica 600.
• Guarnizioni della cella differenziale
- di gomma nitrilica (NBR) di serie;
- di FPM (Viton) su richiesta.
• Movimento
- di acciaio inox.
• Albero di torsione
- di acciaio inox.
• Campi di scala (secondo EN 837)
o Campi di numerazione riferiti a valori di pressione compresi tra 16 mbar e 25 bar:
- vedere tabella C1 a pag. P04; (divisioni secondo tabella C1 a pag. P04).
- altri campi non normalizzati per singola o doppia scala (su richiesta).
o Unità di pressione:
- mbar, bar, kPa, kg/cm² e psi per singola o doppia scala.
o Angolo della scala:
- 270 °.
nota: i campi di misura 0 ÷ 25 mbar nel modello DP 460 e 0 ÷ 100 mbar nel modello DP 360 hanno l’angolo della scala di 180°.
• Indice
- di alluminio a regolazione micrometrica.
• Quadrante
- di alluminio con scale graduate e scritte in nero indelebile, su fondo bianco (per eventuali modifiche al quadrante vedere le varianti previste).
• Precisione (secondo EN 837)
- classe 1,6 (± 1,6% riferito al valore di fondo scala).
nota1: in caso di strumento con contatto elettrico, la precisione indicata sul quadrante non considera l’influenza del dispositivo.
nota2: il separatore di fluido può influenzare la precisione dello strumento in funzione delle condizioni di utilizzo dovute al rapporto pressione/temperatura.
• Temperatura ambiente
- -30 ÷ +60 °C.
• Temperatura di utilizzo
- max 120 °C.
• Deriva termica
- rispetto alla temperatura ambiente di 20°C, influisce sulla precisione dello strumento nell’ordine dello ± 0,6% ogni 10°C di variazione.
Manometri differenziali a membrane indipendenti