HOME | PRODOTTI | ACCESSORI | SERIE AM | AM 411
Accessori
Contatti elettrici
Manometri
Manometri a capsula
Manometri a membrana
Manometri assoluti
Manometri di controllo
Manometri differenziali
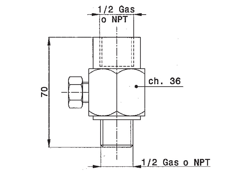
Pressostati
Separatori di fluido
Strumentazione elettronica
Termometri
Accessori per manometri